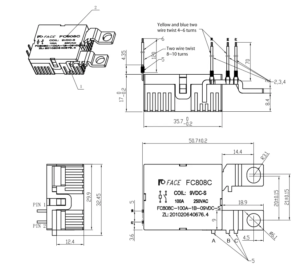
شرح شدہ موجودہ:100A
ڈرائیو وولٹیج کی حد:6-48V DC
آپریٹنگ درجہ حرارت:-40 ° C سے 85 ° C
مواد:اعلی معیار کی اعلی طاقت کی موصلیت والا پلاسٹک اور اچھی طرح سے ڈھالنے والی تانبے کی چادر اور چاندی کے مرکب رابطے
طول و عرض:ضرورت کے مطابق اپنی مرضی کے مطابق کیا جا سکتا ہے، تفصیلی طول و عرض کی ڈرائنگ فراہم کریں
















